紆余曲折をへて投入されたTI「TMS320」 他社の追随許さぬDSPシリーズに:マイクロプロセッサ懐古録(9)(4/4 ページ)
前回に続き、Texas Instruments(TI)のDSP「TMS320」を取り上げる。TMS320が登場するまでのTIの様子や、TMS320の開発が始まった経緯、製造をへて市場投入に至るまでを追っていきたい。
「TMS32010」の出荷開始
最終的にTMS32010が出荷されたのは1983年に入ってからであり、NECの「μPD7720」にはやや遅れることになったが、無事に市場投入される。最初に登場したTMS32010は5MHz駆動で、しかも内部にROMを持たないために外部にROMを接続する必要があったが、すぐに3KBのOn-Chip ROMを搭載する「TMS320M10」も追加される。このTMS32010やTMS320M10は、いずれも3μmのNMOS(データシートでは2.7μmと表記された)での製造であったが、1983年に量産準備を整えている最中にTIはGI(General Instruments)とセカンドソース契約を締結。この際に、GIはTIが当時開発中だったCMOSプロセスと互換性のある、「TMS320C10」と呼ばれるCMOS版の製造を請け負う事になった。結局当初のNMOS版はごくわずかにとどまり、CMOS版が出荷される製品の主流になった。CMOS版のTMS320C10シリーズは最大8.77MHz(Cycle Time 114ナノ秒)まで速度を引き上げたほか、RAM容量(144/256Word)/ROM容量(1.5K/4K/8KWord)/ROM種類(ROM/EPROM/OTP)の違いで17程の派生型を生み出している。
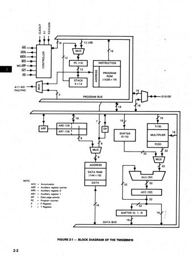
ただ内部は基本一緒で、16bitの乗算器と32bitの加算器、シフターなどを搭載する。乗算器は1cycleでの16bit固定小数点乗算が可能となっており、内部は修正ハーバードアーキテクチャ(プログラムとデータが別々のメモリ空間を利用するが、プログラム空間に置かれたデータを扱う事もできた)構成となっており、5MHzの製品で5MIPSほどの処理性能とされた(図4)。命令長は16bitで、その意味では16bit DSPと称するのが正確(ALUが32bitだからといって32を頭文字にしたのは誇大表現?)であり、また外部メモリバスを利用可能なMicrocomputer Modeと内部メモリのみで動作するMicroprocessor Modeという2種類の動作モードを持つなど、あまりDSPっぽくないところもあった。
他社の追随を許さないDSP製品強化
ただこのあと同社は、TMS32010と完全互換ながら最大50MHz動作まで可能となるTMS320C20シリーズや、演算器を32bit浮動小数点対応に拡張したTMS320C30シリーズ、これをより高速化すると共に3つのDelay Slotを装備し、事実上のZeo-overhed Loopを実行できるようになったTMS320C40シリーズ、と次々にTMS320シリーズの性能強化や機能拡充を図り、他社の追従を許さなかった。
このTMS320シリーズ、面白いのは単に信号処理向けだけでなく、2Dグラフィックの処理にも使われた事だ。例えばApollo Computerの「DN570 Domain Workstation」という製品(1985年発表)は、グラフィックプロセッサにTMS32010を搭載していたとされる。またこのTMS320シリーズに続き、同社はより高性能なC2000/C3000/C5000/C6000/C7000シリーズのDSPを開発・市場投入しており、現在も健在(つい最近もC2000コアをベースにしたモータ制御向けのMCUを発表した)である。こうした“DSPに強いTI”という基礎を打ち立てたのがTMS320というか、SPCだった訳だ。
⇒「マイクロプロセッサ懐古録」連載バックナンバー一覧
Copyright © ITmedia, Inc. All Rights Reserved.
関連記事
ロングランの本格DSP、TI「TMS320」登場に至る長い道のり
今回はDSPの話を取り上げたい。DSPといえば、Texas Instruments(TI)の「TMS320」は欠かせないが、TMS320登場に至るまでには長い道のりがあった。
32年ぶりの新製品も 波乱万丈だったMotorola「MC6800」
今回はMotorolaのプロセッサ「MC6800」を紹介しよう。開発から市場投入に至るまで波乱万丈な経緯を持つMC6800は、派生品も多く、一時代を築いた息の長いプロセッサである。
ファミコンにも採用された「MOS 6502」、その末路をたどる
今回は、メーカーそのものが無くなり「一発屋」となってしまった「MOS 6502」を紹介したい。任天堂の「ファミコン」にも採用された製品だが、その末路は「会社がなくなったことによる断絶」だった。
一発屋で終わったけど抜群の影響力、TI「TMS1000」
今回はTexas Instruments(TI)が開発した「TMS1000」を紹介する。「MCUの最初の製品」とも称されるものだ。TIの製品としては短命だったが、IntelやMicrochip Technologyなどの製品に幅広く影響を与えた。
MCUの「礎」的存在、Microchip「PIC16」
今回は、MCUを語る上で欠かせない存在であり、出荷数は累計数百億個に上るであろう「PIC」シリーズを語る。とりわけ「PIC16」は、アーキテクチャどころか製品としてもまだまだ現役である。
Intel「EMIB-T」で先進パッケージング促進へ
Intelが2025年4月に開催したイベント「Intel Foundry Direct Connect 2025」で注目度が高かったのが「EMIB-T」だ。チップ間をより効率的に接続できるようになるとする。
