検索
連載

紆余曲折をへて投入されたTI「TMS320」 他社の追随許さぬDSPシリーズにマイクロプロセッサ懐古録(9)(2/4 ページ)

前回に続き、Texas Instruments(TI)のDSP「TMS320」を取り上げる。TMS320が登場するまでのTIの様子や、TMS320の開発が始まった経緯、製造をへて市場投入に至るまでを追っていきたい。

Share
Tweet
LINE
Hatena

「Intelができるなら、われわれにもできるはず」

 実はこれと並行して動いていたのが、SPC(Signal Processing Computer)の開発である。これはまた全然違うところから派生した。1978年のある日、TIでは1週間にわたる会議が開催され、各部門がそれぞれの戦略などを説明していた。この会議の中で、当時TI-9900のMicroprocessorのロードマップを統括していたJohn Hughes氏の下にいたHarvey G. Cragon氏はDSP志向のデバイスの提案を行い、次いでHughes氏は各部門から人員を集めてDSPアーキテクチャの仕様を検討する事を提言した。なんでこんな事をCragon氏が思い付いたかといえば、実はIntel 2920が結構な影響を与えたらしい。Intel 2920は前回も触れたが信号処理専用プロセッサであり、ただし処理がアナログというものだった。CHM(Computer History Museum)に収録されている"Oral History of Harvey Cragon"によれば、ちょうどその頃、Cragon氏は次に何をやるべきかをチームで模索中であり、"Intelにできるなら、われわれにもできるはず"と考えたようだ。そもそも弾性波探索というのは膨大な量のデータ処理から構成されるわけで、そうした事柄への知見もあったし、TMS1000シリーズやTMS9000シリーズでデジタルコンピュータ構築の知見も十分にあった。これを組み合わせて、信号処理専用のデジタルプロセッサを開発しよう、と考えたわけだ。

 このプレゼンテーションが、当時Cragon氏の上司であり、SREL(Semiconductor Research Engineering Lab)の所長としてTIのOST(Objectives, Strategy and Tactics)開発のための予算管理を担当していたBill Holton氏の気を引くことに成功。Holton氏はアーキテクチャ開発のための研究グループの結成をCragon氏に命じ、Stu Barab氏、Charles Buenzli氏、Ed Caudel氏、Mickey Dewitt氏、Ed Hassler氏、Dale Ezell氏、Glen Haas氏、Mark Pavicic氏、Tim Smith氏が初期メンバーとして集まっている。

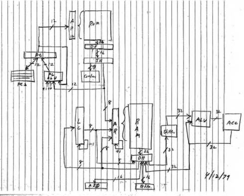
 1979年中に数回のWorking Meetingが行われ、ここでアーキテクチャ仕様書が完成し、SPCと命名された。ちなみにこの当時、恐らくMeetingの最中の事と思われるが、Cragon氏がノートに鉛筆描きしたSPCの基本構成図が南メソジスト大学のDigital Libraryに残されている(図1


図1:出典は"[Harvey Cragon's pencil sketch of the Signal Processing Computer chip]"(https://digitalcollections.smu.edu/digital/collection/tir/id/40/)。まだMultiplexerが無く、その代わりにiterative multiplication(加算を複数回ループさせて乗算の代わりにする仕組み)を実装していた時代のものと思われる[クリックで拡大]

Copyright © ITmedia, Inc. All Rights Reserved.

ページトップに戻る